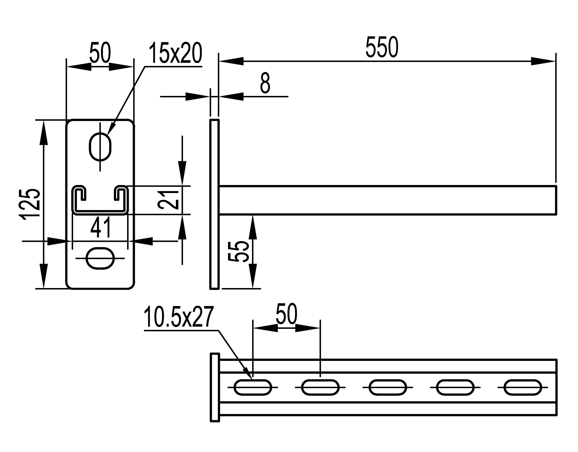
Консоль для кабельных лотков DKC / ДКС 41х21 одиночная, сталь горячеоцинкованная, длина основания 500мм / крепеж

Арт. 25617

О товаре

Код продавца
285850
Артикул производителя
BBP2150

При монтаже кабельных трасс используются различные решения, позволяющие надежно закрепить соответствующие конструкции. К ним относится и консоль DKC 41×21.

Предназначена для монтажа трассы лотков, подвесных элементов и конструкций.

Крепление к стене/потолку.

Крепление в профили: BPL-21, BPL-41, BPV-21, BPV-41, BPM-21, BPM-41, BPD-21, BPD-41, BPM-51.

Крепление в одиночный и двойной подвес.

Консоль крепежная DKC реализуется в индивидуальной упаковке.

— Цвет Светло-серый.

— Ширина, мм 50.

— Модель/исполнение Консоль настенная.

— Высота, мм 125.

— Защитное покрытие поверхности Оцинковка горячим способом по методу Сендзимира.

— Длина, мм 550.

— Материал Сталь.

— Несущая способность, кН 0.8.

— Подходит для обеспеч. целостности цепи (огнестойкость) Да.

Консоль для кабельных лотков DKC 41×21 отличается своей надежностью, механической прочностью. Обладает длительным сроком службы, хорошей устойчивостью к воздействию агрессивных сред, высокой влажности.

Необходимы качественные детали для монтажа кабельных лотков? Кронштейн для кабельных лотков DKC 41×21 прекрасно подойдет для подобных задач.

Кронштейн для лотков кабельных / кронштейн для кабельных лотков настенный / консоль для монтажа кабельных лотков / консоль оцинкованная для кабельного лотка.

  • Страна: Россия
    Страна бренда
    Россия

Технические характеристики

Длина, мм
550
Комплектация
Консоль для кабельных лотков DKC 41х21 одиночная, сталь горячеоцинкованная, длина основания 500мм - 1шт.
Партномер
BBP2150
Ширина, мм
50

Габариты упаковки и вес

Габариты (Д×Ш×В)
550 × 50 × 125 мм
Вес брутто
1365 г